QUESTION
I own a 1983 Turbo Esprit and have lost what I believe is a split pin according to the service book for the rear of the gear linkage.
It's popped out of it hole.
I was able to put it into first gear manually and drive it into the garage.
Picture attached.
Have you got one of these?
And is this all I am missing?
A.L - Sydney, New South Wales, Australia
ANSWER
From the photo of the gear linkage that you have sent, it appears the relay lever has become disconnected at the pivot point.
The gearshift relay lever is usually mounted on a bracket that is located near the drivers side engine mount.
The relay lever has a pivot pin located in the middle of the steel plate.
The pivot pin should be located on the bracket what has a housing containing a thin wall bearing sleeve (which should be an interference fit)
The lever and its pin are normally held in position by a washer either side of the bracket and the pivot pin secured on the end by a C-clip.

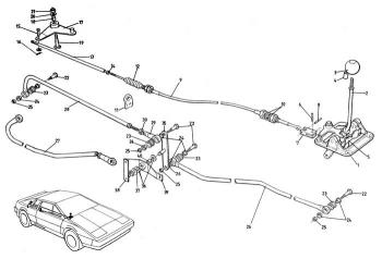
Click on the above image and you can enlarge the parts picture for a better view.
The exploded view of the gearshift linkage show the various components associated with the pivot pin.
Item #36 are the washers located either side of the bracket
Item #40 is the thin wall bearing
Item #37 is the c-clip
It appears that the thin wall bearing sleeve has come out of the housing and is attached to pivot pin (which suggests the sleeve is seized on the pivot pin)
The recommended repair for this is to press a new bearing into the housing and install new washers and C-clip in the groove at the end of the pivot pin.

The above photographs show a correctly assemble Lotus Esprit S3 gearshift linkage.
Copyright © 2013 Lotus Marques
I own a 1983 Turbo Esprit and have lost what I believe is a split pin according to the service book for the rear of the gear linkage.
It's popped out of it hole.
I was able to put it into first gear manually and drive it into the garage.
Picture attached.
Have you got one of these?
And is this all I am missing?
A.L - Sydney, New South Wales, Australia
ANSWER
From the photo of the gear linkage that you have sent, it appears the relay lever has become disconnected at the pivot point.
The gearshift relay lever is usually mounted on a bracket that is located near the drivers side engine mount.
The relay lever has a pivot pin located in the middle of the steel plate.
The pivot pin should be located on the bracket what has a housing containing a thin wall bearing sleeve (which should be an interference fit)
The lever and its pin are normally held in position by a washer either side of the bracket and the pivot pin secured on the end by a C-clip.

Click on the above image and you can enlarge the parts picture for a better view.
The exploded view of the gearshift linkage show the various components associated with the pivot pin.
Item #36 are the washers located either side of the bracket
Item #40 is the thin wall bearing
Item #37 is the c-clip
It appears that the thin wall bearing sleeve has come out of the housing and is attached to pivot pin (which suggests the sleeve is seized on the pivot pin)
The recommended repair for this is to press a new bearing into the housing and install new washers and C-clip in the groove at the end of the pivot pin.

The above photographs show a correctly assemble Lotus Esprit S3 gearshift linkage.
Copyright © 2013 Lotus Marques













